Ok Jag har skaffat mig ett relä. Sen så kopplar jag som du beskrev Judge:
Till 30 sätter du en sladd från + på batteriet, till 85 sätter du sladden från IGN på säkringsdosan, från 87 drar du en sladd till + på tändspolen och från 86 drar du en sladd till karossjord.
Men plus och minus från fördelaren ska på sina respektive plats på spolen eller hur så inte jag har misstolkat det hela?
Annons
Re: Tändning och kylning!
32+ och - från fördelaren ska vara kopplade till tändspolen enligt bruksanvisningen, det är rätt.
Re: Tändning och kylning!
33Hej igen! Jag var ut idag och provade att koppla in relät precis som det beskrev. Men det stod ignition fuse på säkringsdosan men det lär vara samma?. Hur som helst så starta jag bilen och mätta strömmen och det blev samma mellan spole och kaross som på batteriet. Men jag kunde inte stänga av bilen?!!! Jag drog av från både plus och minus på batteriet men bilen gick ändå. Så jag drog loss tändkabeln från tändspolen för att få stopp på den. Var ligger felet?
Och när jag är ändå här igen så vill jag frågs hur jag kopplar in en tillfällig varvmätare för att kolla flödet i kylaren?
Och när jag är ändå här igen så vill jag frågs hur jag kopplar in en tillfällig varvmätare för att kolla flödet i kylaren?
Re: Tändning och kylning!
35Prova istället att ta styrströmmen från bilen original-sladd som ska gå till tändspolen och sätt den till #85 på relät.
Trots att ström/spänning är reducerad i original-sladden borde den räcka för att aktivera relät.
"Och när jag är ändå här igen så vill jag frågs hur jag kopplar in en tillfällig varvmätare för att kolla flödet i kylaren?"
Intressant, har du data på hur stort flödet ska vara vid ett visst varvtal?
Trots att ström/spänning är reducerad i original-sladden borde den räcka för att aktivera relät.
"Och när jag är ändå här igen så vill jag frågs hur jag kopplar in en tillfällig varvmätare för att kolla flödet i kylaren?"
Intressant, har du data på hur stort flödet ska vara vid ett visst varvtal?
Re: Tändning och kylning!
36Nej nå data har jag inte. Men om man ska gå efter felsökninglistan så står det ju "öppna kylarlocket och låt motor gå upp i arbetstemperatur öka varvet till 2000 varv för att se om det flödar över?
Re: Tändning och kylning!
37Hej jag drog styrströmmen till #85 på relät som du sa judge men det går fortfarande inte stänga av bilen med tändingen. Drar jag ut kabel från 85 så lägger bilen. Kan det vara fel på relät eller har det blivit kopplat rätt?
Re: Tändning och kylning!
39Nej.. jag drog kabel direkt från plus på batteriet. Men när jag vrider av tändningen och bilen fortfarande går lyser generatorlampa och oljelampan. Men när jag sätter i styrströmmen i spolen igen då funkar det som det ska men då får ju fördelaren för lite ström.
Re: Tändning och kylning!
40Hej kan du rita en ENKEL skiss hur du dragit med relä o alla grejor,fota o lägg ut kanske blir lättare o se om nåt blivit fel tänkt?
Re: Tändning och kylning!
41
Hoppas det blev nå bilder. Hur som helst så går den röda kabeln direkt från batteriet till 30 på relät. Svart går till jord. Den lila går till tändspolen och vita kabel gjorde jag väldigt lång för att testa båda variaterna ifrån ignition från säkringsdosan och från originalstyrströmmen. Det är kabel som är den ensamma kabeln på den andra bilden. Den i sin kommer ifrån startmotor längst ut höger.
Jag mätte med en multimeter och fick kontakt mellan 30 och 87 me barad tändningen på och vred man av tändningen så försvann kontakten men när man starta upp bilen så ligger strömmen kvar mellan 30 och 87 när man vrider av tändningen. Sen lyser generatorlampan
Jag mätte med en multimeter och fick kontakt mellan 30 och 87 me barad tändningen på och vred man av tändningen så försvann kontakten men när man starta upp bilen så ligger strömmen kvar mellan 30 och 87 när man vrider av tändningen. Sen lyser generatorlampan
Re: Tändning och kylning!
42Jag testade att ohma mellan plus och minus på spolen det sista jag gjorde för idag och då gick det ner på noll ska det vara så??
Re: Tändning och kylning!
43Om du kopplat bort sladdarna från tändspolen innan du mätte borde du fått mellan 0,5 - 0,9 Ohm.Firebird67 skrev:Jag testade att ohma mellan plus och minus på spolen det sista jag gjorde för idag och då gick det ner på noll ska det vara så??
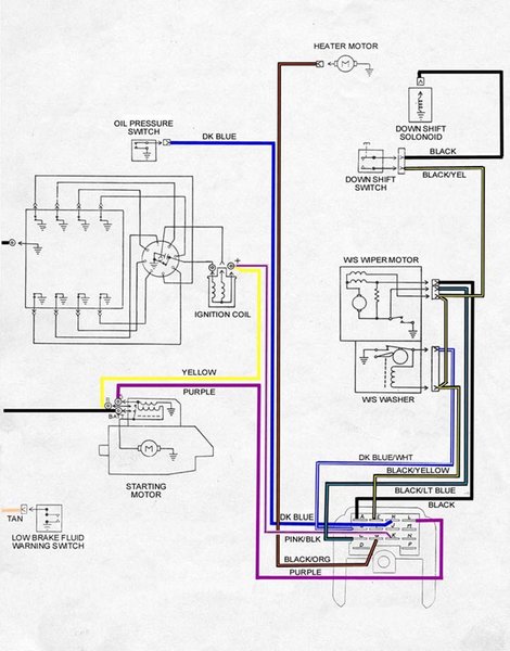
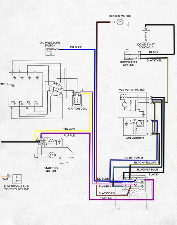
På bilar med enbart resistorkabel från tändlåset till + på tändspolen ska det även vara en gul kabel från R terminalen från startmotorsolenoiden till + på tändspolen som ger full kräm under "start".
Och så här ska det se ut på en 67
Re: Tändning och kylning!
44Jag ska ta mig en kik imorgon efter jobbet. Jag börja misstänka det inte är riktigt kopplat. Tack för ett riktigt kopplingschema ☺
Re: Tändning och kylning!
45Nu har jag mätt spolen igen utan alla kablar och när jag mätt mellan + och - så fick jag ställa multimeter på 200 innan den visade tillslut 0.7 annars var det bara noll på alla andra lägen sedan mätte jag mellan tändkabeln och plus och där fick jag lov att vrida på multimetern till 20k och där visade den 8.14. Verkar det stämm

